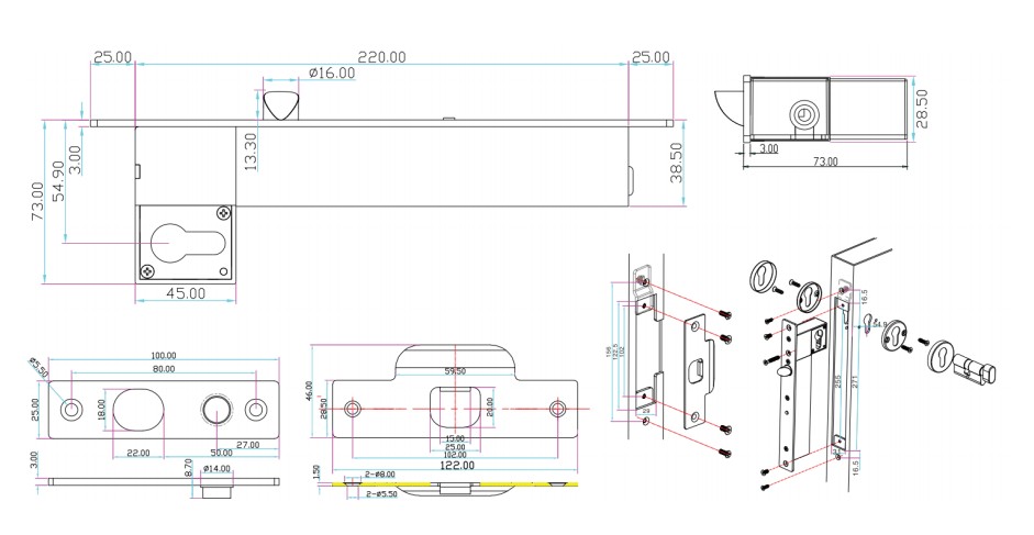
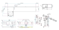
A2B-FL-SLC là thân khóa hoàn toàn bằng kim loại và các linh kiện điện tử với thiết kế chốt khóa đặc biệt, phù hợp với tất cả các loại cửa xoay DIN R/L Out/In, sử dụng ruột khóa chuẩn EN cho giải pháp thoát hiểm khẩn cấp và mở cửa bằng chìa khóa phụ, giúp khóa chắc chắn và bền bỉ hơn, đảm bảo khóa hoạt động tốt trong môi trường khắc nghiệt, nhiệt độ từ 60°C đến -20°C. Chốt khóa được làm bằng thép không gỉ 304, chịu được lực giữ lên đến 2000kg. Với thiết kế đa dạng, van điện từ bền bỉ, hệ thống điều khiển quang điện đặc biệt, quản lý nhiệt độ và mức tiêu thụ điện năng cực thấp, mạch chống phá hoại và mạch tự động phát hiện.
• Được trang bị ruột khóa, có thể thực hiện chức năng kép, điều khiển bằng điện và bằng tay, thiết bị thoát hiểm khẩn cấp theo tiêu chuẩn EN 179 và ghi đè bằng chìa khóa cơ trong trường hợp khẩn cấp.
• Trạng thái khóa (khóa/mở) được hiển thị bằng đèn LED.
• Khả năng chống phá khóa với lực phá khóa 20KN.
• Mạch tự động phát hiện đặc biệt của chốt điện giúp chốt luôn được thu vào khi cửa chưa được mở khóa hoặc chưa được căn chỉnh đúng cách cho đến khi cửa được đóng lại hoàn toàn.
• Độ bền: Được thử nghiệm hơn 500.000 lần, van điện từ được thiết kế đặc biệt có thể sử dụng trong 5-10 năm.
Chưa bao gồm ruột khóa kèm theo
• Hoạt động: Fail secure (Mở khóa bằng nguồn điện khi gặp sự cố)
• Chức năng ruột khóa: Mở khóa bằng chìa khóa cơ hoặc xoay chốt
• Vật liệu: Chốt thép không gỉ 304 nguyên khối được đánh bóng
• Chốt có thể điều chỉnh theo hướng mở cửa
• Điện áp: 12 VDC (tùy chọn 24 VDC)
• Dòng điện: 1200mA @ 12V và 600mA @ 24V
• Trạng thái khóa: Tín hiệu đầu ra (NC/COM/NO)
• Khoảng cách cảm ứng: trong vòng 8mm
• Chế độ lắp đặt theo chiều dọc hoặc chiều ngang
• Phạm vi nhiệt độ hoạt động -20 °C đến +60 °C
• Chứng nhận: CE, EMC, LVD, FCC, VOC, REACH, WEEE
• Trọng lượng: 1,8kg

Bước 1: Truy cập website và lựa chọn sản phẩm cần mua
Bước 2: Click và sản phẩm muốn mua, màn hình hiển thị ra pop up với các lựa chọn sau
Nếu bạn muốn tiếp tục mua hàng: Bấm vào phần tiếp tục mua hàng để lựa chọn thêm sản phẩm vào giỏ hàng
Nếu bạn muốn xem giỏ hàng để cập nhật sản phẩm: Bấm vào xem giỏ hàng
Nếu bạn muốn đặt hàng và thanh toán cho sản phẩm này vui lòng bấm vào: Đặt hàng và thanh toán
Bước 3: Lựa chọn thông tin tài khoản thanh toán
Nếu bạn đã có tài khoản vui lòng nhập thông tin tên đăng nhập là email và mật khẩu vào mục đã có tài khoản trên hệ thống
Nếu bạn chưa có tài khoản và muốn đăng ký tài khoản vui lòng điền các thông tin cá nhân để tiếp tục đăng ký tài khoản. Khi có tài khoản bạn sẽ dễ dàng theo dõi được đơn hàng của mình
Nếu bạn muốn mua hàng mà không cần tài khoản vui lòng nhấp chuột vào mục đặt hàng không cần tài khoản
Bước 4: Điền các thông tin của bạn để nhận đơn hàng, lựa chọn hình thức thanh toán và vận chuyển cho đơn hàng của mình
Bước 5: Xem lại thông tin đặt hàng, điền chú thích và gửi đơn hàng
Sau khi nhận được đơn hàng bạn gửi chúng tôi sẽ liên hệ bằng cách gọi điện lại để xác nhận lại đơn hàng và địa chỉ của bạn.
Trân trọng cảm ơn.